EDMI MK30 单相电子式电能表 (新加坡原装进口)
1、 前言
感谢您选择EDMI的产品,在使用前请您仔细阅读说明书。
2、 概述
MK30单相导轨电能表符合STS标准,拥有强大的集成电路,高性能的CPU和先进的贴片技术
(SMT)。模块化的设计可以选择不同的通讯方式与不同的终端进行通信,很容易操作。执行
标准:IEC62052-11,IEC62053-21,IEC62055-31,IEC62055-41
3、 技术参数
3.1 1S 计量,单相2 线
3.2 电压和电源额定电压(Ub):230V;负载:<10VA ,<2W ;频率: 50Hz
3.3 通用
Ib: 10A
Imax: 60A
负载:<2.5VA
3.4 脉冲常数:1000imp/kWh
3.5 环境
工作温度:-25℃ ~ +55℃
储藏温度:: -40℃ ~ +70℃
相对湿度(不结露):< 95%
防护等级:: IP54室内
4、 特点
4.1 能量测量值测量总活跃能量
4.2 瞬时测量电压电流有功功率
4.3 预付费
4.3.1 当处在预付费时,它符合 STS标准的加密和解密算法
4.3.2 有一个内置的负荷开关来控制负载和负载
4.4 LED显示
4.4.1 红色闪烁表明处于通电,频率和瞬时有功功率成正比
4.4.2黄色OP1电源故障指示器:关闭时闪烁
4.4.3 红色OP2通信指标
4.5 报警日志
4.5.1. 反向功率事件日志
4.5.2. 继电器故障事件日志
4.5.3. 事件日志干预:当检测到反向功率,它将记录在事件日志。200 W(反向功率阈值,判
断时间是1分钟。)
4.5.4.L,N进线端子盖检测功能:拧下L,N端子盖密封螺丝2mm高度后,将触发终端覆盖
开放状态,开盖记录将被保存。
4.5.5.断开
a.过载时电源关闭:过载时电源故障报警(过载是Imax×Ub,判断时间是1分钟)
b.当电能量平衡结束时运行电能断开功能:当电能量平衡用完时继电器被打开(分离);零
是默认值来确定能量平衡。
在上述事件发生后继电器开关被打开(断开),并且继电器关闭(连接)的条件必须通过使
用明确的干预指令,然后电表将允许继电器开关关闭(连接)(同时,以上现象应该消失)。
4.6. 通讯
4.6.1.连接红外光电通信口:900nm~1000nm 光照强度不到 16000lx(类似阳光光照强度和荧
光灯);波特率:2400bps。
4.6.2. 双绞线通讯模式:这可以用在拥有无线通讯能力的客户显示终端,比如 HD16(2 线)。
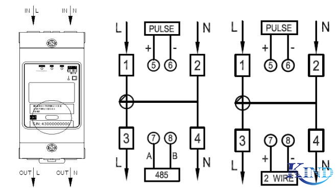
5、 外观参数
1. 输入
2. N输入
3. 输出
4. N输出
5. 正向脉冲(可选项)
6 .反向脉冲(可选项)
7.RS485A/2线(可选项)
8. RS485B/2线(可选项)
9. 脉冲:脉冲指示灯(可选项)
10 .OP1:跳闸指示灯
11. OP2:通讯指示灯
12. 光电口
13 .LCD 显示(可选项)



6、 仓储和配送
a、 碰撞在配送和安装中没有影响。
b、 储藏温度:-40℃to +70℃,储藏湿度:不能超过 95%(不结露)。
EDMI MK30 技术参数
3.1 1S 计量,单相2 线
3.2 电压和电源额定电压(Ub):230V;负载:<10VA ,<2W ;频率: 50Hz
3.3 通用
Ib: 10A
Imax: 60A
负载:<2.5VA
3.4 脉冲常数:1000imp/kWh
3.5 环境
工作温度:-25℃ ~ +55℃
储藏温度:: -40℃ ~ +70℃
相对湿度(不结露):< 95%
防护等级:: IP54室内